FUTEK TRS600 动态扭矩传感器
类型:动态
型号:TRS600
行业:雪鞋测试、电阻点焊、软管膨胀压力测量
型号:TRS600
行业:雪鞋测试、电阻点焊、软管膨胀压力测量






| 量程 | 1,2,5,10,20,50,100 N |
| 非线性 | ±0.2% of RO |
| 迟滞性 | ±0.1% of RO |
| 不可重复性 | ±0.2% of RO |
| 转速 | 12000 max(1~10 N) |
| 9000 max(20~100 N) | |
| 带宽 | 3 kHz |
| 噪声 | ‹50 mV p-p |
| 额定输出 | ±5 VDC |
| 激励 | 11-26(VDC or VAC) |
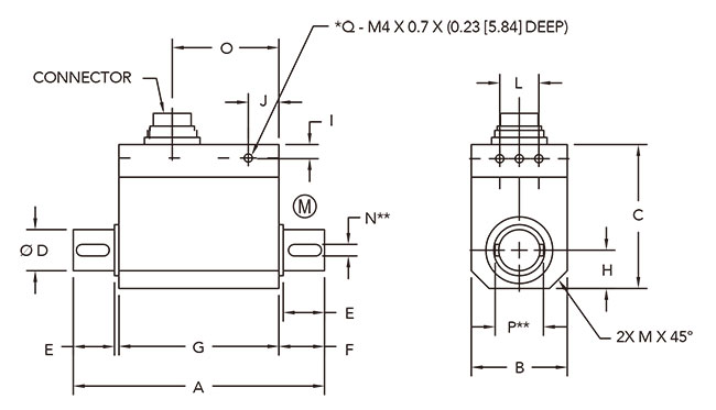
| 连接 | 12 Pin Binder Series #581 (09-0331-90-12) |
| 重量 | 0.28 kg(1~10 N) |
| 0.50 kg(20,50 N) | |
| 1.06 kg(100 N) | |
| 过载保护 | 150% of RO |
| 材质 | 铝合金 |
| 防护等级 | IP40 |
| 操作温度 | -25 to +80 ℃ |
| 补偿温度 | 5 to +50 ℃ |
| 温度漂移零点 | ±0.02% of RO/℃ |
| 温度漂移范围 | ±0.02% of Load/℃ |
| 标定电压 | 12 VDC |




电话020-85262155
邮箱sales@omgl.com.cn